金沙澳门唯一官网

产品类别:12、13mm金属轴旋转式电位器
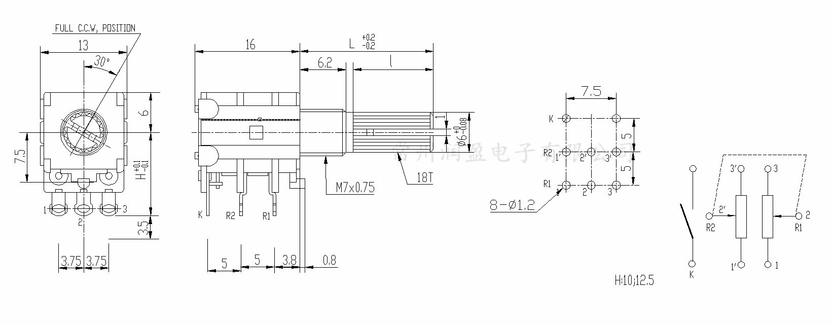
WH12-2-K2-18T
全国服务热线:0519-86238707
售后无忧
厂家直销
服务支持
定制方案
WH12-2-K2-18T
WH12-2-K2-18T
产品介绍

1-160S00J609

公司优势
01
源头厂家
Source manufacturer

从事编码器、电位器、电子开关的研发和制造。

拥有完整、科学的质量管理体系,采用先进的加工设备、精密的检测仪器、高能的组装生产线

02
量身定制
Tailored

品质上严格要求、精益求精,在团队管理上以人为本、精细管理

为客户提供的优良产品和服务

03
产品研发
R&D

主要产品有碳膜电位器(旋转式、滑动式、半固定式)、线绕电位器(单圈和多圈)、编码器、开关(轻触、微动、波段、旋转)、薄膜介质可变(预调)电容器等

坚持“效率成就品牌,诚心铸就未来”的宗旨

应用领域
冶金行业
医疗卫生
电力行业
装备制造
石油化工
返回顶部